Наконечник к твердомерам Бринелля
Материал: алмаз монокристаллический синтетический
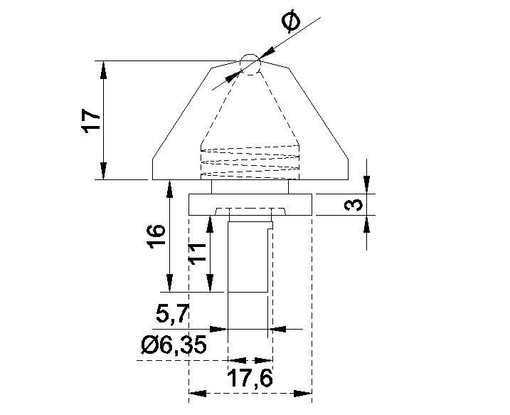
Геометрические размеры: по ГОСТ 9377-81
Гарантийный срок эксплуатации: 1 год
В интернет-магазине КИТЕСТ вы можете купить шариковый наконечник для твердомеров по Бринеллю.
Индентор предназначен для измерения твердости металлов и их сплавов в соответствии с ГОСТ 9012-59 «Металлы. Метод измерения твердости по Бринеллю»).
Также наконечник используется ОАО «Российские железные дороги» для контроля чугунных тормозных колодок локомотивов в рамках ГОСТ 30249-97 «Колодки тормозные чугунные для локомотивов. Технические условия» и ГОСТ 28186-89 «Колодки тормозные для моторвагонного подвижного состава. Технические условия». Возможно использование для измерения твердости губчатого титана по ГОСТ 30311-96 «Титан губчатый. Метод определения твердости по Бринеллю».
Наконечник не внесен в Государственный реестр средств измерений, поэтому его поверка не проводится.
Совместимость
| Страна | Производитель приборов для измерения твёрдости |
| Россия | Москва, "Метолаб" |
| Иваново, "Точприбор", "ЗИП", "Импульс", "Тестсистемы" | |
| Нефтекамск, "Метротест" | |
| Санкт-Петербург, "Точприбор Северо-Запад" | |
| Китай | "TIME Group Inc" |
| США | "Wilson Hardness Group" |
| ФРГ | "Zwick / Roell" |
| Италия | "LTF S.p.A. / Galileo" |
Инструкция по установке или замене наконечника для стационарных и переносных твердомеров
- Перед установкой необходимо протереть бензином индентор и посадочное место шпинделя, а также нанести технический бескислотный вазелин на контактные поверхности.
- Ослабить винт, соединяющий наконечник со шпинделем.
- Вынуть наконечник из посадочного места и установить туда тот, который будет использоваться для измерения, и затем зафиксировать его с помощью винта. Убедитесь в том, что хвостовик индентора вошел в посадочное до упора, а также чтобы он был крепко зафиксирован (обжат). Это позволит избежать смещения и повреждения наконечника.
- Установить на измерительной поверхности прибор эталонную меру, которая соответствует шкале твердости и измеряемому диапазону.
- Произвести обжатие индентора. Для наконечников с шариком (сферических) нужно один раз приложить основную нагрузку индентора в рабочую поверхность эталонной меры. Для алмазных наконечников (конусных) необходимо сделать это три раза в разных точках меры.
- Затянуть фиксирующий винт индентора.
- Сделать 5 и более замеров на эталоне твердости и вычислить среднее значение. Затем его нужно сравнить с тем, что указано на боковой части эталонной меры. Если эти цифры находятся в пределах допустимой погрешности (по паспорту изготовителя твердомера и эталона), то специалист может приступить к работе с исследуемыми изделиями. Если полученное среднее значение выходит за пределы допустимой погрешности, то нужно выполнить калибровку твердомера в соответствии с инструкцией, предоставленной изготовителем.
Видео
Наши менеджеры ответят на все интересующие вопросы о свойствах и цене шарикового наконечника к твердомеру Бринелль, а также помогут вам его заказать.
Чтобы приобрести понравившийся товар, необходимо его заказать. Есть несколько сценариев того, как это можно сделать.
- Выбрать понравившийся товар и нажать кнопку «Заказать». При оформлении заказа заполнить форму. Вписать информацию в поля: ФИО, телефон и e-mail. Затем вам перезвонит менеджер, чтобы подтвердить ваше согласие на совершение покупки.
- Выбрать понравившийся товар и нажать кнопку «В корзину». Затем перейти в корзину и нажать «Оформить заказ». Далее заполнить форму с контактными данными и отправить заявку. С вами свяжется менеджер для дальнейшего обсуждения.
- Перейти в карточку товара и нажать «Купить в один клик». После нажатия нужно заполнить форму и отправить заявку. С вами свяжется менеджер для дальнейшего обсуждения.
Мы работаем с физическими и юридическими лицами. И предоставляем сразу два варианта оплаты.
- Наличные. Вы подписываете товаросопроводительные документы, расплачиваетесь, наличными или картой получаете товар и чек.
- Безналичный расчет. Счет выставляется после подписания договора о сотрудничестве.
Мы работаем с физическими и юридическими лицами. И предоставляем сразу два варианта оплаты.
- Наличные. Вы подписываете товаросопроводительные документы, расплачиваетесь, наличными или картой получаете товар и чек.
- Безналичный расчет. Счет выставляется после подписания договора о сотрудничестве.
Ваш заказ может быть доставлен одной из транспортных компаний, с которыми сотрудничает КИТЕСТ. Либо выберите для себя подходящий вариант доставки:
- Курьерская доставка. Ваш заказ будет привезен на место назначения и передан заказчику из рук в руки. Самый быстрый вариант.
- Самовывоз из офиса. Для получения заказа обратитесь к своему менеджеру, он подготовит все надлежащие документы на отгрузку.
|
Наконечники алмазные |
|
|
Материал в оправке |
Алмаз монокристаллический синтетический марки Va |
|
Диапазон каратности |
Маркирован на оправке изделия в соответствии с ГОСТ 9377-81 |
|
Геометрические размеры |
По ГОСТ 9377-81, исполнение тип НК 1 / НП 1 / НПМ соответственно |
|
Наконечники шариковые (с твёрдосплавными и стальными шариками) |
|
|
Тех. характеристики шарика:
|
|
|
Геометрические размеры шариков в соответствии с ГОСТ 3722-2014:
|
|
|
Гарантийный срок эксплуатации |
1 (один) год |
Комплектация
|
Наименование |
Кол-во, шт. |
|
Упаковочный футляр |
1 |
|
Паспорт (по заказу) |
1 |
|
Индентор твердомера |
По заказу |
